Ochrana napěťová a frekvenční U/F Guard 3-stupňová HDO PV-B05MRC-CZ
Frekvenční a napěťová ochrana U/F Guard 3-stupňová, pro instalace s proudem do 16 A na fázi, vstup HDO
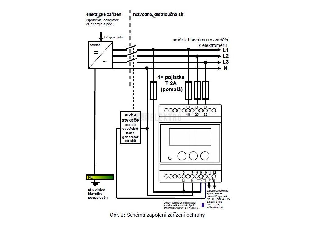
U-f guard napěťová a frekvenční ochrana třístupňová pro instalace s proudem do 16 A na fázi, vstup HDO, PV-B05MRC-CZ
provedení: třístupňová síťová ochrana pro 3-fázové i 1-fázové soustavy se sledováním frekvence, fázových nebo sdružených napětí
- dovoluje připojení širokého spektra zdrojů nebo spotřebičů elektrické energie
- tato série vyhovuje normě ČSN EN 50438 pro paralelní připojení mikrogenerátorů k veřejné distribuční síti, v souladu s připojovacími podmínkami PPDS č. 4 platné od 1. 1. 2018
- přehledný displej okamžitě zobrazuje parametry sítě bez nutnosti připojování dalšího čtecího zařízení jako např. počítače
- s jednoduchým ovládáním menu lze zobrazit zaznamenané poruchy v historii a to včetně skutečného data a času
- vysoká kvalita měřených napětí TRUE RMS s přesností lepší než ±1%
- špičková přesnost měření síťové frekvence<br />s odchylkou do ±0,005 Hz !
- vstup pro vodič se signálem hromadného dálkové ovládání pro okamžité rozpojení relé jako nadřazený povel všem ostatním funkcím přístroje
Doplňkové parametry
| Kategorie: | Měniče, střídače FVE |
|---|---|
| Záruka: | 2 roky |
| Hmotnost: | 0.25 kg |
| EAN: | 8594195750090 |
