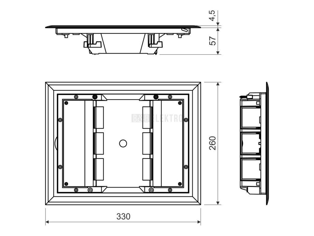
KOPOBOX 57
rám podlahové krabice určený pro vestavbu do univerzállních podlahových krabic KUP
Popis:
Určený k instalaci do univerzální podlahové krabice KUP 57 nebo KUP 80.
Umožňuje montáž modulárních přístrojů 45 x 45 mm (max. 6 ks) firem ABB, PEHA, Legrand, OBO Bettermann a jiné přístroje shodné konstrukce.
Vyztužení víka plechem zajišťuje jeho vysokou mechanickou pevnost při zachování možnosti vložení finální podlahové krytiny.
Víko obsahuje 2 výklopné klapky umožňující vyvedení kabelů z krabice.
Součástí balení jsou šrouby pro připevnění rámu do podlahové krabice KUP.
KOPOBOX se standardně dodává v tmavě šedé barvě. Při objednávce nad 500 ks je možné dodat jinou barvu dle vzorníku RAL (neplatí pro vlastní nosiče přístrojů).
KOPOBOX 57 - sestava
Kompletní sestava podlahové krabice složená z KOPOBOX 57 a KUP 57 nebo
KUP 80 je určena pro montáž modulárních přístrojů 45 x 45 mm. Upevňovací patky
(určené pro montáž do zdvojené podlahy) se při instalaci rámu KOPOBOX 57 do
krabice KUP nepoužijí.
Pokyny k montáži KOPOBOX 57:
Podlahová krabice KUP 57 je určená pro výšku betonové vrstvy od 57 mm do
75 mm, podlahová krabice KUP 80 je určená pro výšku betonové vrstvy od 80 mm
do 95 mm. Krabici je nutné připevnit k podkladovému materiálu. Požadovanou výšku
krabice lze nastavit pomocí šroubů zvyšovací vložky a to v rozmezí od 57 mm do
75 mm (KUP 57) nebo od 80 mm do 95 mm (KUP 80).
V případě betonové vrstvy vyšší než 75 mm (KUP 57) nebo 95 mm (KUP 80) je
nutné použít sadu nivelační SN (4 ks) ukotvenou k podkladovému materiálu.
Nivelační sada umožňuje zvýšit výšku krabice až o 35 mm.
Krabice univerzální jsou uzpůsobeny pro instalaci el. trubek a podlahového kanálu
PUK 38X150 S1. Otvory je možné vytvořit pomocí postupového vrtáku. Jednotlivé
vstupy včetně zvyšovací vložky je nutné utěsnit tmelem proti vniknutí betonu.
V průběhu betonáže je nutné použít krycí desku (součást balení KUP) proti zalití
krabice betonovou směsí. Po vytvrzení betonové směsi a odstranění krycí desky se
podlahová krabice KUP osadí rámem podlahové krabice KOPOBOX 57. Do rámu se
nainstalují držáky přístrojů a provede se elektroinstalace modulárních přístrojů.
KOPOBOX 57 je určen především pro instalaci kabelů s přímými vidlicemi. Použití
kabelů s lomenými vidlicemi je možné s omezením. Použití adaptérů určených
k napájení přístrojů je omezeno jejich konkrétní velikostí.
Víko podlahového rámu je určené pro podlahovou krytinu s max. výškou 7 mm.
S ohledem na stupeň krytí (IP 30) není krabice určena ke strojovému mokrému
vytírání. Doporučenými podlahovými krytinami jsou koberce nebo plovoucí podlahy.
Do systému je možné instalovat modulární přístroje firem ABB, PEHA, Legrand, OBO
Bettermann a jiné přístroje shodné konstrukce.
Systém je určený pro rozvody s napětím 500 V.
rám podlahové krabice určený pro vestavbu do univerzállních podlahových krabic KUP
Popis:
Určený k instalaci do univerzální podlahové krabice KUP 57 nebo KUP 80.
Umožňuje montáž modulárních přístrojů 45 x 45 mm (max. 6 ks) firem ABB, PEHA, Legrand, OBO Bettermann a jiné přístroje shodné konstrukce.
Vyztužení víka plechem zajišťuje jeho vysokou mechanickou pevnost při zachování možnosti vložení finální podlahové krytiny.
Víko obsahuje 2 výklopné klapky umožňující vyvedení kabelů z krabice.
Součástí balení jsou šrouby pro připevnění rámu do podlahové krabice KUP.
KOPOBOX se standardně dodává v tmavě šedé barvě. Při objednávce nad 500 ks je možné dodat jinou barvu dle vzorníku RAL (neplatí pro vlastní nosiče přístrojů).
KOPOBOX 57 - sestava
Kompletní sestava podlahové krabice složená z KOPOBOX 57 a KUP 57 nebo
KUP 80 je určena pro montáž modulárních přístrojů 45 x 45 mm. Upevňovací patky
(určené pro montáž do zdvojené podlahy) se při instalaci rámu KOPOBOX 57 do
krabice KUP nepoužijí.
Pokyny k montáži KOPOBOX 57:
Podlahová krabice KUP 57 je určená pro výšku betonové vrstvy od 57 mm do
75 mm, podlahová krabice KUP 80 je určená pro výšku betonové vrstvy od 80 mm
do 95 mm. Krabici je nutné připevnit k podkladovému materiálu. Požadovanou výšku
krabice lze nastavit pomocí šroubů zvyšovací vložky a to v rozmezí od 57 mm do
75 mm (KUP 57) nebo od 80 mm do 95 mm (KUP 80).
V případě betonové vrstvy vyšší než 75 mm (KUP 57) nebo 95 mm (KUP 80) je
nutné použít sadu nivelační SN (4 ks) ukotvenou k podkladovému materiálu.
Nivelační sada umožňuje zvýšit výšku krabice až o 35 mm.
Krabice univerzální jsou uzpůsobeny pro instalaci el. trubek a podlahového kanálu
PUK 38X150 S1. Otvory je možné vytvořit pomocí postupového vrtáku. Jednotlivé
vstupy včetně zvyšovací vložky je nutné utěsnit tmelem proti vniknutí betonu.
V průběhu betonáže je nutné použít krycí desku (součást balení KUP) proti zalití
krabice betonovou směsí. Po vytvrzení betonové směsi a odstranění krycí desky se
podlahová krabice KUP osadí rámem podlahové krabice KOPOBOX 57. Do rámu se
nainstalují držáky přístrojů a provede se elektroinstalace modulárních přístrojů.
KOPOBOX 57 je určen především pro instalaci kabelů s přímými vidlicemi. Použití
kabelů s lomenými vidlicemi je možné s omezením. Použití adaptérů určených
k napájení přístrojů je omezeno jejich konkrétní velikostí.
Víko podlahového rámu je určené pro podlahovou krytinu s max. výškou 7 mm.
S ohledem na stupeň krytí (IP 30) není krabice určena ke strojovému mokrému
vytírání. Doporučenými podlahovými krytinami jsou koberce nebo plovoucí podlahy.
Do systému je možné instalovat modulární přístroje firem ABB, PEHA, Legrand, OBO
Bettermann a jiné přístroje shodné konstrukce.
Systém je určený pro rozvody s napětím 500 V.
Doplňkové parametry
| Kategorie: | Podlahové - podlahové instalace |
|---|---|
| Záruka: | 2 roky |
| Hmotnost: | 1.3 kg |
| EAN: | 8595057690721 |
| Barva: | Šedá |
| Materiál: | Polyamid |
| Krytí (IP): | IP30 |
| Barva RAL: | 7012 |
| Hloubka výřezu v podlahové krytině: | 7 mm |
| Minimální vestavná hloubka: | 57 mm |
| Množství v balení: | 1 |
| Montážní šířka (mm): | 217 mm |
| Počet zásuvek s ochranným kontaktem: | 6 |
| S výřezem v podlahové krytině: | Ano |
| Typ krytu: | Obdélníkové |
| Vestavná délka: | 290 mm |
| Vhodné pro instalaci do duté podlahy: | Ano |
| Vhodné pro instalaci do dvojité podlahy: | Ano |
| Vhodné pro údržbu za mokra: | Ne |
| Vnější délka: | 330 mm |
| Vnější šířka: | 260 mm |
| Výrobní společnost : | KOPOS KOLÍN a.s. |
|---|---|
| Adresa : | Havlíčkova 432 280 02 Kolín Česká republika |
| E-mail : | kopos@kopos.cz |
