Elektroměrová rozvodnice ER212/PVP7P dvoutarif třífázový do zdi pro ČEZ, E.ON
Skříň elektroměrová ER212/PVP7P,do výklenku ve zdi, 1x dvoutarifní, třífázový jistič do 40A,celoplastové provedení z termosetu, k použití pro ČEZ,E.ON
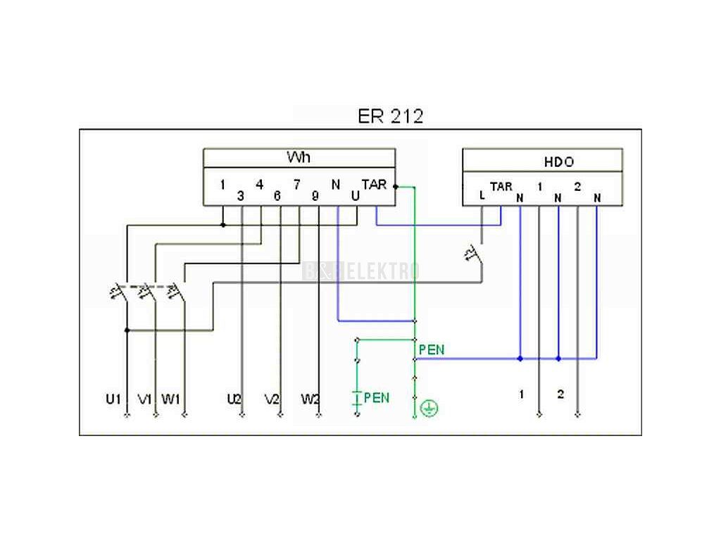
Popis:
Elektroměrový rozvaděč v provedení z Termoplastu pro jeden dvoutarifní třífázový elektroměr pro měření do 40A (popř.50-100 A - musí být uvedeno v objednávce - použití větších průřezů při drátování). Je určen pro zabudování do výklenku ve zdi. Je určen pro zabudování do výklenku ve zdi. Osazení 1xmůstek PEN, 1xjistič 2A char.B pro HDO,řadové svorky. Hlavní jistič není součástí rozvaděče.Přístroje na elektroměrové desce s plombovacím krytem jističů.
Použití:
Elektroměrové rozvaděče jsou určeny jako měřící zařízení pro měření spotřeby elektrické energie. Jsou vhodné především pro rodinné domky, rekreační chaty, chalupy a pro výrobní objekty podnikatelské činnosti. Jsou přizpůsobeny pro použití ve vnějším prostředí.
Technické údaje:
| Pro distribuční síť | ČEZ, E.ON |
| Jmenovité pracovní napětí | 230/400V |
| Jmenovitý proud | do 40A (možno až 100A) |
| Jmenovitý kmitočet | 50Hz |
| Stupeň ochrany krytem | IP44, po otevření dveří IP20 |
| Sttupeň mechanické ochrany | IK 10 |
| Ochrana při poruše před dotykem na neživých částech | automatickým odpojením od zdroje |
| Max. průřez přívodních vodičů | do 16mm2 |
| Max. průřez vývodních vodičů: silový obvod | do 16mm2 |
| Max. průřez vývodních vodičů: pomocný obvod | do 4mm2 |
| Způsob připojení vodičů přívod | L1,2,3-svorky hl.jističe , PEN-svorkovnice PEN, svorky elektroměru |
| Způsob připojení vodičů vývod | L1,2,3-řad.svorky do 16mm2, svorky elektroměru PEN-svorkovnice,svorky elektroměru |
| Způsob připojení pomocných obvodů | řad.svorky do 4mm2, svorky HDO |
| Stupeň hořlavosti | Kategorie B - nesnadno hořlavé |
| Uzavíraní dveří | jednobodové se čtyřhranem 6x6 mm |
| Výška | 570 mm |
| Šířka | 484 mm |
| Hloubka | 242 mm |
| Váha | 11 kg |
| Počet elektroměrů | 1 |
Doplňkové parametry
| Kategorie: | Elektroměrové rozvodnice do výklenku |
|---|---|
| Záruka: | 2 roky |
| Hmotnost: | 12 kg |
| EAN: | 24168 |
| distribuční ČEZ: | ano |
| distribuční E.ON: | ano |
| umístění: | do zdi |
| Výrobní společnost : | DCK Holoubkov Bohemia a.s. |
|---|---|
| Adresa : | Holoubkov 336 338 01, Holoubkov |
| E-mail : | info@dck.cz |
