Elektroměrová rozvodnice ER222/NVP7P-C 2xtřífázový elektroměr s HDO, do zdi, pro ČE, E.ON
Skříň elektroměrová ER222/NVP7P-C,do výklenku ve zdi, 2x dvoutarifní elektroměr s HDO, třífázový jistič do 40A,celoplastové monolitické provedení skříně, k použití pro ČEZ,E.ON
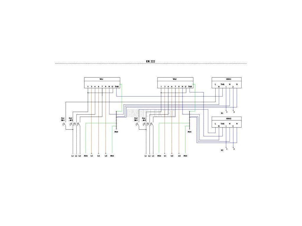
Popis:
Elektroměrový rozvaděč v celoplastovém provedení skříně pro dva dvoutarifní třífázové elektroměry (s HDO) pro měření do 40A (popř.50-100 A - musí být uvedeno v objednávce - použití větších průřezů při drátování). Je určen pro zabudování do výklenku ve zdi.Osazení 2xmůstek PEN, 2x1f.jistič 2A char.B pro HDO,řadové svorky. Hlavní jističe není součástí rozvaděče. Přístroje na elektroměrové desce s plombovacím krytem jističů.
Použití:
Elektroměrové rozvaděče jsou určeny jako měřící zařízení pro měření spotřeby elektrické energie. Jsou vhodné především pro rodinné domky, rekreační chaty, chalupy a pro výrobní objekty podnikatelské činnosti. Jsou přizpůsobeny pro použití ve vnějším prostředí.
Technické údaje:
Pro distribuční síť ČEZ, E.ON
Jmenovité pracovní napětí 230/400V
Jmenovitý proud do 40A (možno až 100A)
Jmenovitý kmitočet 50Hz
Stupeň ochrany krytem IP44, po otevření dveří IP20
Sttupeň mechanické ochrany IK 10
Ochrana při poruše před dotykem na neživých částech automatickým odpojením od zdroje
Max. průřez přívodních vodičů do 16mm2
Max. průřez vývodních vodičů: silový obvod do 16mm2
Max. průřez vývodních vodičů: pomocný obvod do 4mm2
Způsob připojení vodičů přívod L1,2,3-svorky hl.jističe , PEN-svorkovnice PEN, svorky elektroměru
Způsob připojení vodičů vývod
L1,2,3-řad.svorky do 16mm2, svorky elektroměru
PEN-svorkovnice,svorky elektroměru
Způsob připojení pomocných obvodů řad.svorky do 4mm2, svorky HDO
Stupeň hořlavosti Kategorie B - nesnadno hořlavé
Uzavíraní dveří jednobodové se čtyřhranem 6x6 mm
Výška 600 mm
Šířka 640 mm
Hloubka 220 mm
Váha 14 kg
Počet elektroměrů 2
Doplňkové parametry
| Kategorie: | Elektroměrové rozvodnice do výklenku |
|---|---|
| Záruka: | 2 roky |
| Hmotnost: | 14 kg |
| EAN: | 8596053002174 |
| Barva: | Šedá |
| Šířka (mm): | 640 mm |
| Výška (mm): | 600 mm |
| Hloubka/výška (mm): | 220 |
| Materiál: | Plast |
| ? Dimenzovaný proud: | 40 A |
| ? Distribuční společnost: | ČEZ/EGD(e.on) |
| Krytí (IP): | IP44 |
| ? Počet míst pro měřící přístroje: | 2 |
| ? Počet míst pro přijímače HDO: | 2 |
| Počet polí: | 1 |
| Počet řad rozvaděčů: | 1 |
| S montážní deskou: | Ano |
| ? Vhodné pro fotovoltaiku: | Ne |
| ? Způsob montáže: | Montáž do stěny |
| Výrobní společnost : | DCK Holoubkov Bohemia a.s. |
|---|---|
| Adresa : | Holoubkov 336 338 01, Holoubkov |
| E-mail : | info@dck.cz |
